139-C系列离心风机电机
用途
本系列电机适用于离心风机及类似用途。
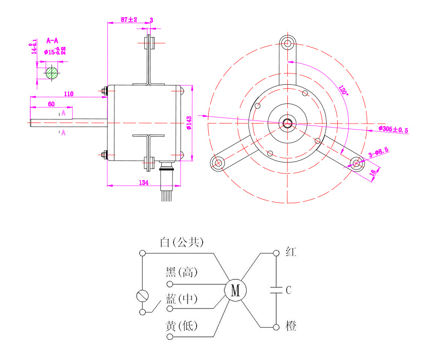
外形尺寸:
主要技术数据Main technical data
|
序号 |
电机型号 |
电源 (V/Hz) |
输出功率 (W) |
风机型号 |
风量 |
静压 |
|
1 |
YDK-70W-6P |
220V50Hz |
90 |
7-5 |
200-1015m³/h |
0-125Pa |
|
2 |
YDK-120W-4P |
220V50Hz |
120 |
320-1250 m³/h |
0-270Pa |
|
|
3 |
YDK-90W-6P |
220V50Hz |
90 |
7-7 |
490-1500 m³/h |
0-130 Pa |
|
4 |
YDK-180W-4P |
220V50Hz |
180 |
1030-1850 m³/h |
0-265 Pa |
|
|
5 |
YDK-200W-6P |
220V50Hz |
200 |
8-8 |
880-2300 m³/h |
0-170 Pa |
|
6 |
YDK-300W-4P |
220V50Hz |
300 |
1015-2500 m³/h |
0-380Pa |
|
|
7 |
YDK-375W-6P |
220V50Hz |
375 |
9-7 |
700-2900 m³/h |
40-230Pa |
|
8 |
YDK-375W-4P |
220V50Hz |
375 |
670-2350 m³/h |
100-450Pa |
|
|
9 |
YDK-375W-6P |
220V50Hz |
375 |
9-9 |
665-3065 m³/h |
90-230Pa |
|
10 |
YDK-450W-4P |
220V50Hz |
450 |
715-2875 m³/h |
240-480Pa |
|
|
11 |
YDK-375W-6P |
220V50Hz |
375 |
10-8 |
1000-3000 m³/h |
100-240Pa |
|
12 |
YDK-550W-4P |
220V50Hz |
550 |
1500-2800 m³/h |
360-500Pa |
|
|
13 |
YDK-450W-6P |
220V50Hz |
450 |
10-10 |
540-3550 m³/h |
150-230Pa |
|
14 |
YDK-550W-4P |
220V50Hz |
550 |
2050-3400 m³/h |
230-410Pa |
|
|
15 |
YDK-750W-6P |
220V50Hz |
750 |
12-9 |
1560-4650 m³/h |
200-360Pa |
|
16 |
YDK-900W-4P |
220V50Hz |
900 |
1470-3150 m³/h |
470-610Pa |
|
|
17 |
YDK-750W-6P |
220V50Hz |
750 |
12-12 |
1560-4400 m³/h |
300-350Pa |
|
18 |
YDK-900W-6P |
220V50Hz |
900 |
1560-5200 m³/h |
180-350Pa |
注:以上参数是我司常用的具有代表性的规格,可按客户机组进行优化匹配,也可生产特殊要求的产品,如:100-120V、200V-240V、50/60Hz。
Notes: The above mentioned specification is representative specification. The specification can also be designed and manufactured according to customers requirement
The products of 100-120V,200-240V,50/60Hz can also be supplied as requested;